Accueil / Actualités

Actualités

Quelles sont les étapes de la conception de la chaîne de transmission

Quelles sont les étapes de la conception de la chaîne de transmission

Dans le processus de conception et de production de Chaîne de transmission , il y a quatre étapes critiques : le découpage, le tressa...

Quatre méthodes de lubrification utilisées dans la chaîne de convoyeur

Quatre méthodes de lubrification utilisées dans la chaîne de convoyeur

Dans l'industrie de la chaîne, Chaîne de convoyeur est un type de chaîne couramment utilisé. Il nécessite également un entretien...

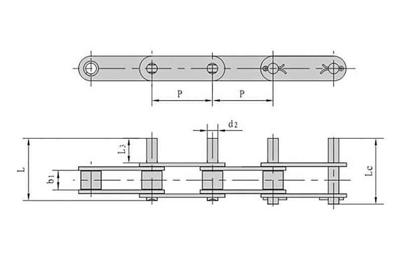
Quelles sont les fonctions de la chaîne de feuilles

Quelles sont les fonctions de la chaîne de feuilles

Étant donné que les composants de la chaîne à couteaux sont de taille similaire à celle d'une chaîne à rouleaux standard, la production économ...

Structure et caractéristiques de la chaîne silencieuse

Structure et caractéristiques de la chaîne silencieuse

La structure de Chaîne silencieuse est très simple : uniquement des planches et des épingles. Il existe huit pas différents de 9,52 m...

Détails de la garantie de la chaîne à rouleaux

Détails de la garantie de la chaîne à rouleaux

Le Chaîne à rouleaux se compose d'une cadène intérieure, d'une cadène extérieure, d'un axe, d'un manchon et d...

Le pignon industriel s'usera pendant longtemps

Le pignon industriel s'usera pendant longtemps

Nous constaterons tous que si nous utilisons Pignon industriel pendant longtemps, nous constaterons que Industrial Sprocket présente ...

Différence entre le pignon industriel et la poulie synchrone

Différence entre le pignon industriel et la poulie synchrone

Un pignon est également un pignon de type crémaillère, qui est utilisé pour engrener avec précision le plateau de pas ou le pas du câble. Il appart...

Quel type de lubrifiant convient à la chaîne industrielle

Quel type de lubrifiant convient à la chaîne industrielle

La substance huileuse liquide utilisée dans la lubrification des chaînes a les fonctions de lubrification, de prévention de la rouille, d'étan...

La conception de la chaîne de transmission est partout dans la vie

La conception de la chaîne de transmission est partout dans la vie

Chaîne d'entraînement les designs sont partout dans la vie. Alors comment est conçu le principe de la Drive Chain ? La chaîne d&#...

Un fabricant de chaîne agricole présente une méthode de maintenance de la chaîne mécanique

Un fabricant de chaîne agricole présente une méthode de maintenance de la chaîne mécanique

Concernant l'entretien des chaînes mécaniques, ce qui suit sera décrit par le fabricant de hzqjchain Filière Agricole en fonctio...

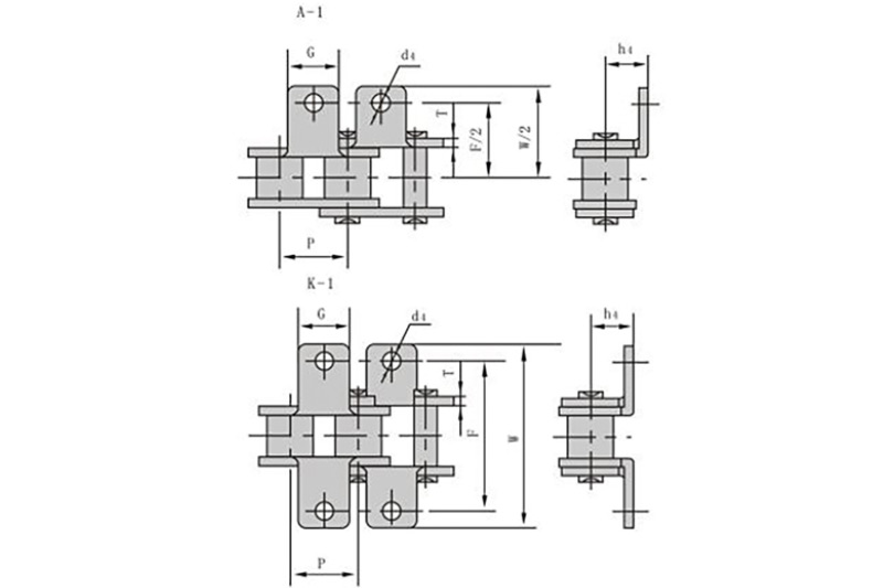
La chaîne de transmission est un type de chaîne courant

La chaîne de transmission est un type de chaîne courant

Les principales catégories de chaînes sont : les chaînes à rouleaux à pas court pour la transmission, les chaînes à rouleaux à double pas pour la...

Le fabricant de chaînes de convoyeurs présente des conseils pour choisir les revêtements de chaîne

Le fabricant de chaînes de convoyeurs présente des conseils pour choisir les revêtements de chaîne

The following manufacturers of hzqjchain Chaîne de convoyeur will tell you how to choose a chain liner: 1. Détection de la t...